| Status de disponibilidade: | |
|---|---|
| Quantidade: | |
J21S
WORLD
-BIG SHEEL SHELTING
-Circles blanking
-pode trabalhar com alimentador de bobina em Zig Zag
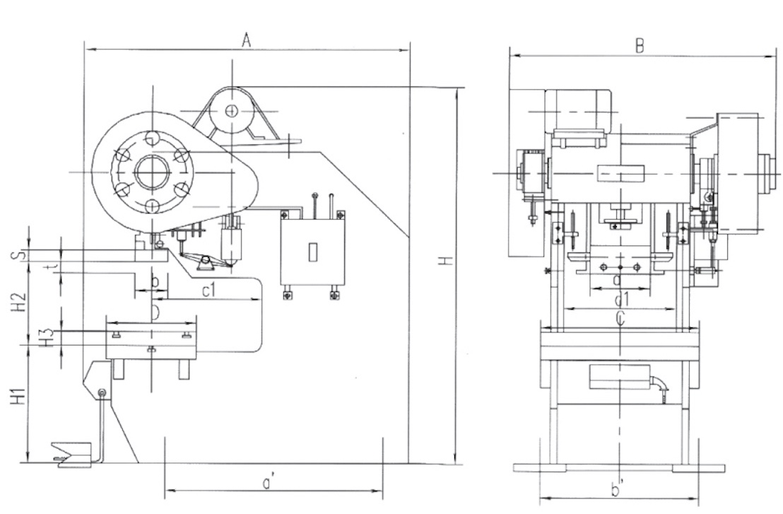
A profundidade da garganta é personalizável de acordo com a folha de bobina e a largura da placa de aço. O corpo soldado da placa de aço tem maior resistência e rigidez. O corpo do tipo Mono Block é muito melhor que o corpo fixo do tipo ecconômico.
A prensa de perfuração da garganta profunda do tipo manivela pode equipar com a embreagem pneumática opcional. Operação mais segura e conveniente.
| Item | Unidade | J21S-10 | J21S-16 | J21S-25 | J21S-40 | J21S-63 | J21S-80 | J21S-100 | |
| Capacidade nominal | KN | 100 | 160 | 250 | 400 | 630 | 800 | 1000 | |
| Comprimento do traço do slide | milímetros | 45 | 55 | 65 | 90 | 110 | 120 | 140 | |
| Velocidade de derrame | vezes/minuto | 145 | 125 | 55 | 45 | 40 | 38 | 38 | |
| Máx. Altura fechada | milímetros | 180 | 220 | 270 | 320 | 390 | 440 | 480 | |
| Ajuste de altura fechada | milímetros | 35 | 45 | 55 | 65 | 80 | 90 | 100 | |
| Profundidade da garganta | milímetros | 300 | 500 | 600 | 710 | 800 | 800 | 900 | |
| Distância das colunas | milímetros | 208 | 278 | 330 | 470 | 590 | 600 | 720 | |
| Deslize o tamanho inferior | L-r | milímetros | 170 | 200 | 250 | 300 | 400 | 430 | 540 |
| F-b | milímetros | 150 | 180 | 220 | 260 | 360 | 360 | 480 | |
| Tamanho do orifício da alça | Diâmetro | milímetros | 30 | 40 | 40 | 50 | 50 | 60 | 60 |
| Profundidade | milímetros | 55 | 60 | 60 | 70 | 70 | 75 | 75 | |
| Tamanho da mesa de trabalho | L-r | milímetros | 370 | 450 | 560 | 700 | 860 | 950 | 1080 |
| F-b | milímetros | 240 | 300 | 370 | 460 | 570 | 650 | 710 | |
| Espessura da mesa de trabalho | milímetros | 35 | 40 | 50 | 65 | 80 | 100 | 120 | |
| Diâmetro do orifício da mesa | milímetros | 80 | 100 | 120 | 150 | 180 | 200 | 220 | |
| Distância da superfície para o solo da mesa de trabalho | milímetros | 730 | 750 | 800 | 835 | 860 | 850 | 850 | |
| Dimensão total | F-b | milímetros | 835 | 1250 | 1835 | 2338 | 2748 | 2720 | 2815 |
| L-r | milímetros | 665 | 850 | 950 | 1335 | 1500 | 1715 | 1790 | |
| Altura | milímetros | 1763 | 2030 | 2215 | 2660 | 2828 | 3290 | 3625 | |
| Potência do motor elétrico | KW | 1.1 | 1.5 | 2.2 | 5.5 | 7.5 | 7.5 | 11 | |
| Peso (aproximado) | KG | 950 | 1750 | 2750 | 5900 | 7600 | 9800 | 10080 | |
-BIG SHEEL SHELTING
-Circles blanking
-pode trabalhar com alimentador de bobina em Zig Zag
A profundidade da garganta é personalizável de acordo com a folha de bobina e a largura da placa de aço. O corpo soldado da placa de aço tem maior resistência e rigidez. O corpo do tipo Mono Block é muito melhor que o corpo fixo do tipo ecconômico.
A prensa de perfuração da garganta profunda do tipo manivela pode equipar com a embreagem pneumática opcional. Operação mais segura e conveniente.
| Item | Unidade | J21S-10 | J21S-16 | J21S-25 | J21S-40 | J21S-63 | J21S-80 | J21S-100 | |
| Capacidade nominal | KN | 100 | 160 | 250 | 400 | 630 | 800 | 1000 | |
| Comprimento do traço do slide | milímetros | 45 | 55 | 65 | 90 | 110 | 120 | 140 | |
| Velocidade de derrame | vezes/minuto | 145 | 125 | 55 | 45 | 40 | 38 | 38 | |
| Máx. Altura fechada | milímetros | 180 | 220 | 270 | 320 | 390 | 440 | 480 | |
| Ajuste de altura fechada | milímetros | 35 | 45 | 55 | 65 | 80 | 90 | 100 | |
| Profundidade da garganta | milímetros | 300 | 500 | 600 | 710 | 800 | 800 | 900 | |
| Distância das colunas | milímetros | 208 | 278 | 330 | 470 | 590 | 600 | 720 | |
| Deslize o tamanho inferior | L-r | milímetros | 170 | 200 | 250 | 300 | 400 | 430 | 540 |
| F-b | milímetros | 150 | 180 | 220 | 260 | 360 | 360 | 480 | |
| Tamanho do orifício da alça | Diâmetro | milímetros | 30 | 40 | 40 | 50 | 50 | 60 | 60 |
| Profundidade | milímetros | 55 | 60 | 60 | 70 | 70 | 75 | 75 | |
| Tamanho da mesa de trabalho | L-r | milímetros | 370 | 450 | 560 | 700 | 860 | 950 | 1080 |
| F-b | milímetros | 240 | 300 | 370 | 460 | 570 | 650 | 710 | |
| Espessura da mesa de trabalho | milímetros | 35 | 40 | 50 | 65 | 80 | 100 | 120 | |
| Diâmetro do orifício da mesa | milímetros | 80 | 100 | 120 | 150 | 180 | 200 | 220 | |
| Distância da superfície para o solo da mesa de trabalho | milímetros | 730 | 750 | 800 | 835 | 860 | 850 | 850 | |
| Dimensão total | F-b | milímetros | 835 | 1250 | 1835 | 2338 | 2748 | 2720 | 2815 |
| L-r | milímetros | 665 | 850 | 950 | 1335 | 1500 | 1715 | 1790 | |
| Altura | milímetros | 1763 | 2030 | 2215 | 2660 | 2828 | 3290 | 3625 | |
| Potência do motor elétrico | KW | 1.1 | 1.5 | 2.2 | 5.5 | 7.5 | 7.5 | 11 | |
| Peso (aproximado) | KG | 950 | 1750 | 2750 | 5900 | 7600 | 9800 | 10080 | |
0086 21 62828320
0086 13817120700
wang@worldpowerpress.com