Notícia
Você está aqui: Casa » Notícia » Centro de Conhecimento » Como combinar a fonte de energia elétrica das máquinas de imprensa

Como combinar a fonte de energia elétrica das máquinas de imprensa

Número Browse:0     Autor:editor do site     Publicar Time: 2022-07-01      Origem:alimentado

Como combinar a fonte de energia elétrica de suas máquinas de imprensa

As máquinas de imprensa normalmente adotam 3 fontes de energia elétrica de fases. Este artigo é para apresentar os detalhes da fonte de energia demáquinas de imprensa. Usamos máquinas de imprensa da marca mundial como exemplos.


Exemplo:World Brand C Frame Single Crank Press, JH21-160


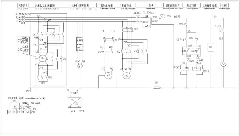
Existem três peças motores elétricos na prensa. Motor principal para acionar o sistema de transmissão, motor de freio plano para ajustar a lâmina e o motor pequeno para bomba de graxa elétrica. A fonte de energia elétrica de entrada conecta diretamente o motor e o deslizamento principal do motor. A energia de entrada conecta o motor da bomba de graxa através de um transformador. O transformador transfere a tensão de energia de entrada para 220V.

Pressione Pressione Diagrama Elétrica-2

Diferentes países têm diferentes padrões de tensão industrial. 220V, 380V, 400V, 415V, 440V e 600V. As máquinas de imprensa da marca mundial são feitas na China com tensão padrão como 380V. O comprador deve confirmar a tensão de energia local antes de fazer o pedido com máquinas mundiais para as máquinas de imprensa. As máquinas mundiais podem alterar o padrão de tensão das máquinas de imprensa de energia de acordo. O motor principal e a tensão do motor de ajuste do slide devem ser alterados. O padrão de tensão do inversor de frequência também deve ser alterado se o comprador precisar do inversor opcional. A tensão do motor da bomba de graxa não precisa de alteração, porque a entrada é através do transformador.

Imprensa de energia Connecções de energia elétrica-2

Conecte os fios de 3 fases a L1, L2 e L3. O PE é fundamental para a segurança. Ligue o motor principal, verifique a direção de rotação do volante. A direção deve estar no sentido horário, como a seta indica no guarda de segurança do volante. Se a direção estiver errada, só precisará substituir os dois terminais de L1, L2 e L3.


Padrão atual dos fios

Os amperes atuais estão de acordo com a capacidade de energia. A tabela a seguir é para referência.

Power (KW)

Tensão (V)

Atual (a)

0.75

380

2

1.5

380

3.6

2.2

380

5

3

380

6.6

4

380

8.5

5.5

380

11.5

7.5

380

15.5

11

380

22

15

380

30

18.5

380

37

22

380

44

30

380

60

37

380

72

45

380

85

55

380

105

75

380

138

90

380

160


ENTRAR EM CONTATO

  0086 21 62828320

  0086 13817120700

         0086 13817590728

  wang@worldpowerpress.com

         info@worldpowerpress.com

LINKS RÁPIDOS

PRODUTOS

Copyright © SHANGHAI Yingxin MUNDO MACHINERY CO., LTD. Todos os direitos reservados. Número website Registeration: 沪 ICP 备 09030720 号 -2
tecnologia por leadong/Mapa do Site